前回デイライトのフォグベゼル 広角照射バルカン&リング化&ファイバーの制作をしました
独自規定のディーラー車検に対応させるためライト点灯時にはバルカンとリングは消灯していました
やはりそれでは勿体ないしつまらないのでファイバー以外を減光させ同時点灯させることにしました
もちろんディーラーへ乗り付けるときに点灯したままにならないようにスイッチや合図も付けて
※ちなみにデイライトを減光させると実は法規違反となります。個人的には昼間の光量で夜に使われるのは眩しいので減光はアリと思うのですが、デイライトの法規や基準が無いためこのようになっています
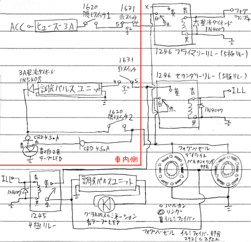
写真クリックで特設ページへ全部発光しているとニヤニヤしてしまうね回路は以下の通り

エンジンルーム側は繋ぎ換えたり調光パルスユニットを外したり余ったアースを切り取ったりする程度
主に車内側の追加が著しくなっていますがそんなに難しい仕様でもないでしょう
減光はパルス式の調光ユニットではなく抵抗器を使う
白スイッチを復活させ、白スイッチのLED保護のための整流ダイオード
抵抗器も整流ダイオードもだいぶオーバースペックな代物を使っていますが大は小を兼ねるのでOK
あと隠しスイッチ2を新設

抵抗器ではなくパルス調光ユニットを使う場合はこっち

青と白の2色発光テープLEDを使ってデイライトの光り具合を把握
片方のみとかパターンはあるが、とりあえず覚えておくべきなのは2色点灯はディーラー乗り入れ禁止状態の合図
あと夜間でも眩しくないようにテープLEDのプラス側にはそれぞれ0.1mAのCRDを入れています
抵抗器の代わりにパルス調光を使ってもいいね・・・抵抗よりもスマートか?
代わりに青と白の2色発光テープLEDに使っている0.1mAのCRDは外すか容量を増やしたりほうがいいかも
エーモンの調光ユニットは振動でボリュームが変わることがあるので使わないほうがいい
ノーブランドのボタン式のパルス調光ユニットはその点優れている
パルス調光の欠点として最低レベル近くまで減光させるとチカチカ点滅しているように見えるのがね・・・
コメント一覧